步步精科技:信号连接器领域的技术创新与发展
深圳市步步精科技有限公司近日喜获一项发明专利授权,进一步巩固了其在连接器技术领域的领先地位。本次获得授权的专利是“信号连接器”,其创新性和实用性为步步精科技在信号传输设备的研发和制造中注入了全新动力。这项专利的授权公告号为CN 118589230 B,授权公告日为2024年11月1日。步步精科技以其卓越的技术实力和持续的创新实践,再一次向行业展示了其强大的研发能力和市场洞察力。
信号连接器的创新设计
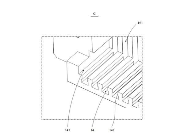
此次专利的信号连接器涉及连接器技术领域,专注于提高产品装配精度和组装效率,解决了传统连接器在组装时绝缘件与端子配合误差的问题。信号连接器的设计包括塑胶外壳、端子和后塞三部分。其独特的结构创新体现在以下几个方面:
|
|
精准的插接通道设计:塑胶外壳内部设计有插接通道,确保端子可以稳定地穿过插接通道并插入连接腔内。前后端口的设置使端子更稳定地嵌入,同时大大降低了端子与绝缘件配合的误差。
高效的端子设计:端子的结构经过特殊设计,能够在连接腔内保持弹性形变,显著提升了端子与塑胶外壳的装配精度和效率。这种设计进一步消除了因传统连接器结构带来的安装误差,保障了信号的高质量传输。
|
|
稳固的后塞固定:后塞通过后端口插接连接腔并对端子进行压接,实现了高稳定性。该设计不仅提高了产品装配效率,还有效提升了产品的组装良率。
步步精科技的研发实力
步步精科技自成立以来,始终将技术研发作为公司的核心驱动力。公司目前已获得132项技术专利,并且还有20多项专利正在测试中,这些技术成就不仅展现了公司在技术创新方面的不断追求,也证明了公司在研发团队建设和市场洞察力方面的卓越能力。信号连接器的此次创新和专利认证,无疑是步步精科技在研发投入和技术探索方面的重要成果。
|
|
在信号连接器领域的不断探索中,步步精科技凭借精准的市场定位和专业的技术团队,研发出了一系列技术先进、市场需求旺盛的连接器产品,深受客户认可。步步精科技在研发中始终追求产品的创新性、可靠性和高效性,并将这些核心理念融入到每一项新产品的开发过程中。
|
|
创新驱动未来,推动行业进步
步步精科技清楚地认识到,技术创新是企业发展的生命线。在未来的发展中,公司将继续加大研发投入,深耕连接器技术领域,并不断推出满足市场需求的创新产品。展望未来,步步精科技不仅将继续在信号连接器领域发力,还计划在防水连接器及其他相关领域推出更多突破性的产品,进一步推动行业的技术进步和标准提升。
此外,步步精科技始终关注行业趋势和客户需求变化,致力于为客户提供高品质的产品和服务。公司将凭借“诚信为本,品质为先”的服务宗旨,以更加完善的管理体系和专业的研发团队,进一步扩大市场影响力,为客户带来更优质的解决方案。此次获得信号连接器的发明专利,为步步精科技在技术发展道路上注入了新的活力和信心。
|
|
结语
信号连接器发明专利的获得不仅是对步步精科技研发实力的认可,更为公司在市场中的竞争力提供了重要支撑。随着技术的不断成熟与市场需求的持续增长,步步精科技将秉持创新精神,不断优化产品性能,以推动连接器行业技术的发展和应用的多元化。未来,步步精科技必将谱写更加辉煌的篇章,为推动科技进步和社会发展贡献自身力量。













